| 當前位置:首頁->方案設計 |
|
| STGIB15CH60TS-L馬達控制電源板參考設計 |
|
|
| 文章來源: 更新時間:2016/4/18 13:39:00 |
在線咨詢: |
| |
ST公司的STGIB15CH60TS-L是SLLIMM™ - 2系列低損耗智能電源模塊(IPM),提供在低壓MCU和主電源馬達間直接連接,工作頻率高達20kHz,功率范圍高達3kW.器件在25°C時額定電流3A-5A,耐壓600V,主要用于馬達驅動的三相逆變器,以及家用電器如洗衣機,電冰箱,空調(diào)和縫紉機等.本文介紹了STGIB15CH60TS-L 主要特性,功能框圖和應用框圖,以及馬達控制電源板STEVAL-IPM15B主要特性,架構圖,電路圖,材料清單和PCB設計圖.
SLLIMM™ - 2nd series IPM, 3-phase inverter, 20 A, 600 V short-circuit rugged IGBTs ST’s SLLIMM™ family of small low-loss intelligent molded modules enhances the efficiency of home appliance motor drives working up to 20 kHz in hard-switching circuitries and of applications with a power range up to 3 kW.
ST’s intelligent power modules (IPMs) provide a direct connection between a low-voltage microcontroller and a mains-powered electric motor. They greatly reduce costs by simplifying design and significantly reducing component count while saving space, improving reliability and lowering EMI. Available in several package options (fully molded and DBC), current ratings and driving options, they feature the best compromise between conduction and switching losses, along with outstanding robustness and EMI behavior.
STGIB15CH60TS-L主要特性:
3A-5A current rating at 25℃, with 600V breakdown voltage;
Lower VCE(sat) 1.65V even at 5A, due to the TFS technology;
Low EMI;
Mounted slot package options allowing easier and lower-cost heatsink assembly;
Integrated bootstrap diode for lower BOM and simplified PCB layout;
150°C maximum operating junction temperature;
Integrated op amp and comparator that can be used for protection circuits;
Separate open emitter outputs to simplify PCB routing for both single and three shunt solutions;
NTC (Negative Temperature Coefficient) for temperature monitoring;
Smart shutdown function;
In-line and zig-zag lead options, with/without stand-off, for maximum layout flexibility;
1500 Vrms minimum isolation
STGIB15CH60TS-L應用:
• 3-phase inverters for motor drives
• Home appliances such as washing machines,refrigerators, air conditioners and sewing
machines

圖1.STGIB15CH60TS-L框圖

圖2.STGIB15CH60TS-L應用框圖
馬達控制電源板STEVAL-IPM15B
The STEVAL-IPM15B is a compact motor drive power board based on the SLLIMM™ (small low-loss intelligent molded module) 2nd series module STGIB15CH60TS-L. It provides an affordable, easy-to-use solution for driving high power motors for a wide range of applications such as white goods, air conditioners,compressors, power fans, high-end power tools, and generally 3-phase inverters for motor drives. The IPM itself consists of short-circuit rugged IGBTs and a wide range of features including undervoltage lockout, smart shutdown, temperature sensing and NTC inside, and overcurrent protection. The main characteristics of this evaluation board are its small size, minimal BOM and high efficiency. It consists of an interface circuit (BUS and Vcc connectors), bootstrap capacitors, snubber capacitor, hardware short-circuit protection, fault event signal and temperature monitoring. In order to increase its flexibility,it was designed to work in single or three-shunt configuration and with double current sensing options such as three dedicated op-amps on-board, or op-amps embedded on the MCU. A Hall/Encoder part completes the circuit. Thanks to these advanced characteristics, the system has been specifically designed to achieve accurate and fast conditioning of the current feedback, matching the typical requirements for field-oriented control (FOC). The STEVAL-IPM15B is compatible with ST’s STM32-based control board, providing a complete platform for motor control.
馬達控制電源板STEVAL-IPM15B主要特性:
Input voltage: 125 - 400 VDC
Nominal power: up to 1500 W
Input auxiliary voltage: up to 20 V DC
Single- or three-shunt resistors for current sensing (with sensing network)
Two options for current sensing: dedicated op-amps or through MCU
Overcurrent hardware protection
IPM temperature monitoring and protection
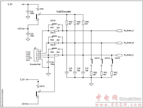
Hall sensor or encoder input
Uses the STGIF5CH60TS-L IGBT intelligent power module from the 2nd series of SLLIMM™ IPMs
Motor control connector (32-pin) to interface with ST MCU boards
Universal conception for further evaluation with breadboard and testing pins
Very compact size

圖3.馬達控制電源板STEVAL-IPM15B架構圖

圖4.馬達控制電源板STEVAL-IPM15B外形圖(正面)

圖5.馬達控制電源板STEVAL-IPM15B外形圖(背面)

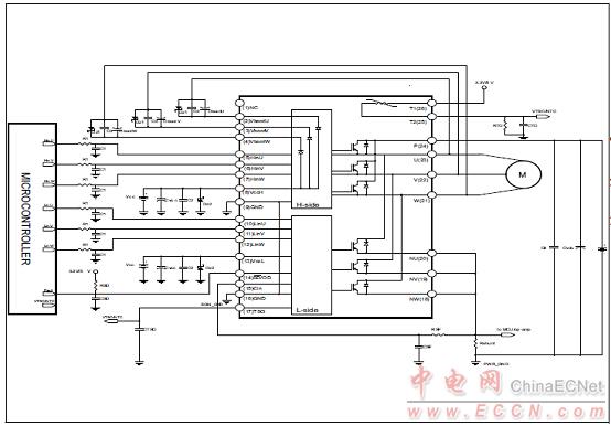
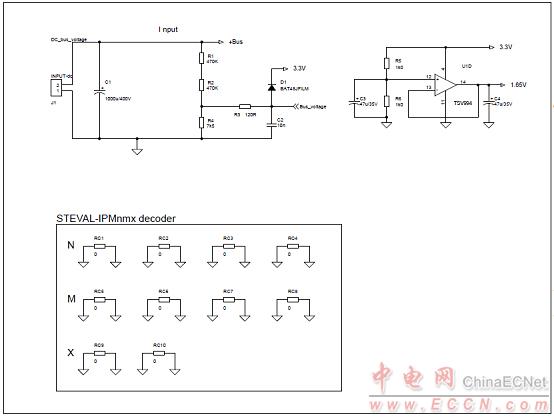
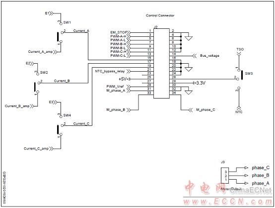
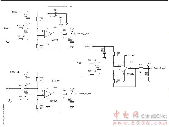
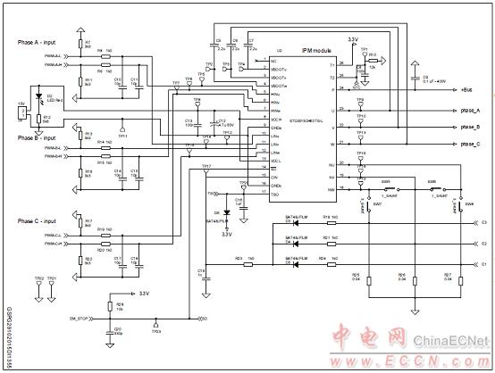
圖6.馬達控制電源板STEVAL-IPM15B電路圖(1)

圖7.馬達控制電源板STEVAL-IPM15B電路圖(2)

圖8.馬達控制電源板STEVAL-IPM15B電路圖(3)

圖9.馬達控制電源板STEVAL-IPM15B電路圖(4)

圖10.馬達控制電源板STEVAL-IPM15B電路圖(5)
馬達控制電源板STEVAL-IPM15B材料清單:





圖11.馬達控制電源板STEVAL-IPM15B PCB設計圖(正面)

圖12.馬達控制電源板STEVAL-IPM15B PCB設計圖(背面) |
| |
|
|
|
|
|
| |
|
| |
|
|