On Semi公司的STK984-190-E是用于下一代汽車無刷直流系統(tǒng)的汽車功率集成模塊(PIM),包含6個40 V/30 A MOSFET配置為一個三相橋,及一個額外的40 V/30 A高邊反向電池保護MOSFET.模塊適用于12 V汽車電機驅動應用,額定功率達300 W,如電動泵,風機和擋風玻璃雨刮.工作溫度范圍為-40°C至150°C.所有集成的MOSFET都通過AEC-Q101認證.本文介紹了STK984-190-E主要特性,框圖,典型應用電路,以及40V 30A DIP MOSFET功率模塊評估板STK984-190-EGEVB主要特性,電路圖,材料清單和PCB設計圖.
The STK984-190-E is a MOSFET power module containing 6 MOSFETsin a three-phase bridge (B6) configuration and a seventh MOSFET usedas a reverse battery protection switch. The compact module is 29.6 mmx18.2 mm and is 4.3 mm high (see package drawing for specificationdetails). The MOSFET module uses a DBC substrate for excellentthermal performance. The module is suitable for 12 V automotive andindustrial applications with motors rated up to 300 W.
STK984-190-E主要特性:
Three-phase MOSFET bridge with reverse battery protection switch
Device is PPAP capable.
Compact 29.6 mmx18.2 mm dual in-line package
Motor power up to 300 W for 12 V systems
40 V MOSFETs with 30 A continuous and 85 A pulse current ratings
RDS(ON) = 9.5 mohmmax
QGD = 9.8 nC typical
STK984-190-E應用:
Automotive Pumps
Automotive Fans
12 V Industrial Motors

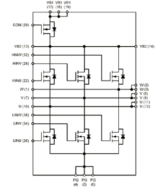
圖1.STK984-190-E功能框圖

圖2.STK984-190-E應用案例電路圖
評估板STK984-190-EGEVB:40V 30A DIP MOSFET功率模塊評估板
The STK984-190-EGEVB is designed to evaluate the STK984-190E, a MOSFET power module containing 6 MOSFETs in a three-phase bridge (B6) configuration and a seventh MOSFET used as a reverse battery protection switch. The MOSFET module uses a DBC substrate for excellent thermal performance and is suitable for 12 V automotive and industrial applications with motors rated up to 300 W.

圖3.評估板STK984-190-EGEVB外形圖

圖4.評估板STK984-190-EGEVB電路圖
評估板STK984-190-EGEVB材料清單:


圖5.評估板STK984-190-EGEVB PCB設計圖
|