TI公司的PMP11769是700W汽車D類音頻放大器完整解決方案,包括兩個D類放大器:向4歐姆負載提供2x175W和向2歐姆負載提供1x350W.輸入電壓9-16V,100kHz帶寬,支持高分辨率音頻文件和格式.本文介紹了PMP11769主要特性,電路圖,材料清單和PCB設計圖.
The PMP11769 reference design is a complete solution for a 700W automotive audio amplifier. The boost converter provides 36.0V @ 10.0A continuous / 20.0A peak from an input voltage of 9 .. 16V. It contains two Class-D amplifiers which provide 2x 175W @ 4 Ohm load (left & right channel)and 1x 350W @ 2 Ohm(subwoofer).
PMP11769主要特性:
Easily integrated into automotive systems with 50V load dump and integrated protection system
Ultra-HD audio for best quality sound for any integrated Class-D amplifier
100kHz bandwidth, which enables support for high resolution audio files and formats
Low noise, which eliminates the "hiss" or "buzz" sounds

圖1.PMP11769 700W汽車D類音頻放大器外形圖

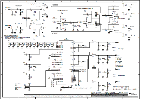
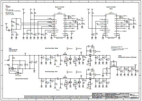
圖2.PMP11769 700W汽車D類音頻放大器參考設計電路圖(1)

圖3.PMP11769 700W汽車D類音頻放大器參考設計電路圖(2)

圖4.PMP11769 700W汽車D類音頻放大器參考設計電路圖(3)

圖5.PMP11769 700W汽車D類音頻放大器參考設計電路圖(4)
PMP11769 700W汽車D類音頻放大器參考設計材料清單:







圖6.PMP11769 700W汽車D類音頻放大器參考設計PCB設計圖(1)

圖7.PMP11769 700W汽車D類音頻放大器參考設計PCB設計圖(2)

圖8.PMP11769 700W汽車D類音頻放大器參考設計PCB設計圖(3)

圖9.PMP11769 700W汽車D類音頻放大器參考設計PCB設計圖(4)
|